
13524506889
上海昆臺機電科技有限公司,引進德國設備與技術,專業生產:直齒行星減速機、斜齒行星減速機,同軸輸出行星減速機,法蘭輸出行星減速機,直角行星減速機,中空旋轉平臺,行星減速機型號眾多,滿足各個領域客戶需求,歡迎來電咨詢!
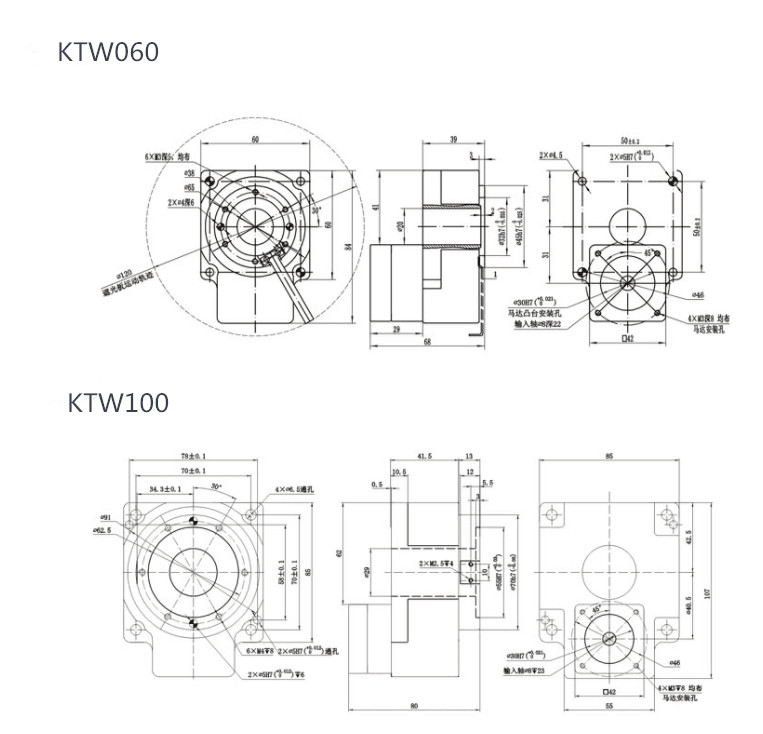
產品性能特征:
1、低噪音:采用螺旋齒輪設計,實現了減速機的順暢,安靜運轉。
2、高精度:背隙可達3弧分之間,定位精確。
3、高剛性、高扭矩:輸出軸采用大尺寸,大跨距式雙支撐軸承設計,大大提高了減速機的剛性和扭矩。
4、高效率:單段可達97%以上,雙段可達95%以上。
5、免維護:油脂磨耗低,可終身潤滑。
6、密封效果好:潤滑油脂具有高粘度,不易分離的特性,并采用IP65防護等級,確保無潤滑油脂泄露。
7、節省空間:轉角殼體采用一體式設計,既能保證行星減速機運轉之精度又能節省安裝空間。
8、適用性廣:適用于任意型式伺服電機。
中空旋轉行星減速機因為結構原因,單級減速最大一般不超過10,常見減速比為:5:1,10:1,15:1,20:1減速機級數一般不超過3,但有部分大減速比定制減速機有4級減速。
相對其他減速機,行星減速機具有高剛性,高精度(單級可做到3弧

分以內),高傳動效率(單級在95%-98%),高的扭矩/體積比,終身免維護等特點,