
13524506889
產品性能特征:
1、低噪音:采用螺旋齒輪設計,實現了減速機的順暢,安靜運轉。
2、高精度:背隙可達3弧分之間,定位精確。
3、高剛性、高扭矩:輸出軸采用大尺寸,大跨距式雙支撐軸承設計,大大提高了減速機的剛性和扭矩。
4、高效率:單段可達97%以上,雙段可達95%以上。
5、免維護:油脂磨耗低,可終身潤滑。
6、密封效果好:潤滑油脂具有高粘度,不易分離的特性,并采用IP65防護等級,確保無潤滑油脂泄露。
7、節省空間:轉角殼體采用一體式設計,既能保證行星減速機運轉之精度又能節省安裝空間。
8、適用性廣:適用于任意型式伺服電機。
行星減速機因為結構原因,單級減速最大一般不超過10,常見減速比為:3,4,5,6,8,10,減速機級數一般不超過3,但有部分大減速比定制減速機有4級減速。
相對其他減速機,行星減速機具有高剛性,高精度(單級可做到1分以內),高傳動效率(單級在95%-98%),高的扭矩/體積比,終身免維護等特點,
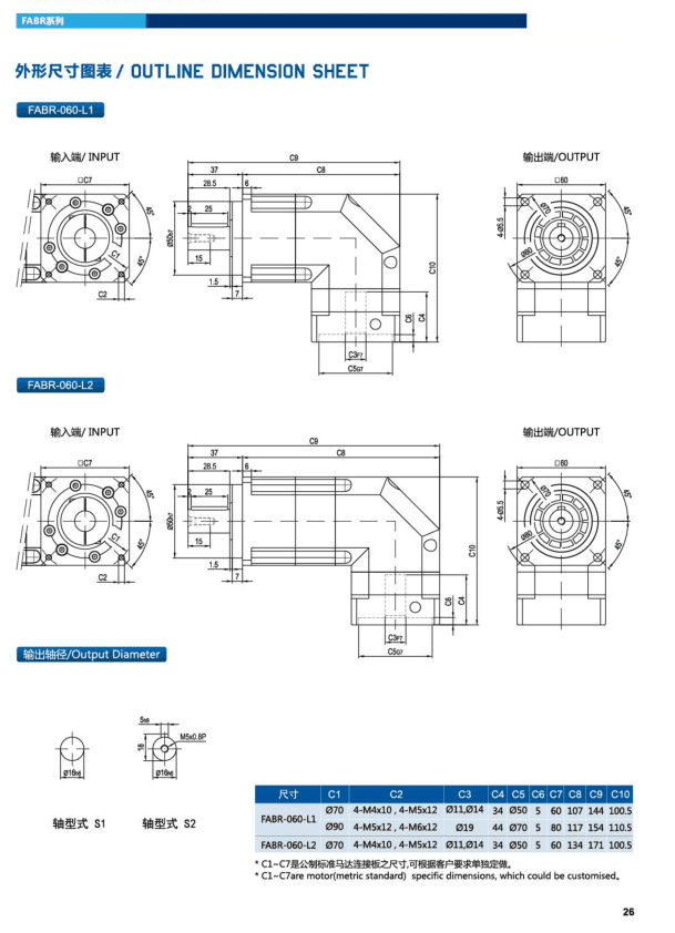
斜齒行星減速機產品參數:
傳動比:Ⅰ級:4, 5, 7, 10 Ⅱ級:20, 25, 35, 40, 50, 70, 100
滿載時效率:Ⅰ級:≥93 Ⅱ級:≥90
最低工作溫度:-10
最高工作溫度:+ 90
防護等級:IP65
標準回程間隙:Ⅰ級:≤7 Ⅱ級:≤10
抗扭剛度:13
額定輸入轉數:5000
主要使用行業:
自動化/機器人,CNC/機床,包裝設備,食品行業,制藥行業,印刷行業,焊接工業,木工機械,塑料和薄膜機械等可以任意配套進口國產電機,如松下伺服,安川伺服,施耐德伺服,臺達伺服,步進電機等。
行星減速機的作用
降速同時提高輸出扭矩,扭矩輸出比例按電機輸出乘減速比,但要注意不能超出減速機額定扭矩。
降速同時降低了負載的慣量,慣量的減少為減速比的平方。大家可以看一下一般電機都有一個慣量數值。
合理安裝和使用行星減速機
減速機是一種常見的動力傳達機構,在各種機械傳動系統中都有應用。減速機的安裝和使用直接關系到減速機的運行效果,要符合技術規范和標準。如何合理的安裝和使用減速機,要 注意以下幾點事項。安裝前的注意事項:
1. 本機在使用前應對安裝軸進行清洗。并檢查安裝軸是否有碰傷、污物,若有應全部清除 干凈。
2.減速機的使用溫度為 0~40 ℃。
3.檢查與伺服減速機聯接的孔(或軸)的配合尺寸是否符合要求,孔的公差
應




